Serviceable Series; three piece standard port 316 stainless steel ball valve. Seats and Stem Seal are glass reinforced P.T.F.E. (Teflon®), body seals Viton®. Pipe connections are NPT (National Pipe Taper) female screwed end. Temperature Range -20°F to 400°F (-28.8°C to 204.4°C). Valve Body Pressure Rating 1,000 psi C.W.P. (Cold Working Pressure), Maximum Pressure Differential 400 psi – also see Differential Pressure Temperature Chart), Saturated Steam to 150 PSI and a Vacuum rating of 20 Microns. Self-compensating stem seal design. Also see Product Specifications which can be found at www.geminivalve.com Products are marketed per Gemini Valve Standard Terms & Conditions. All Gemini Valve Products MADE IN USA.
Valve is operated by Spring-Return (Air to Open / Spring to Close) Pneumatic Actuator which operates on 60-125 psi air supply with an cycle (index) time of 1/2 to 1 second depending on model and load. Temperature Rating -20°F to 350°F (-28.8°C to 176.6°C). Air connection is NAMUR / (2) 1/8” NPT female ports to enable direct NAMUR or remote solenoid valve piloting. Actuator body aluminum with Teflon® impregnated hard anodized surfaces. Hardware 300 Series Stainless Steel. Permanently lubricated – maintenance free. Visual Open / Close indicator.
The pneumatic actuator is piloted by our three-way direct mount NAMUR solenoid valve. Air connection is 1/4" NPT female. Air supply 60-125 psi. Coil voltage is 24VAC class F; continuous duty, 5 watts. Electrical connection DIN X Conduit; 1/2". Protection IP65 dust tight / water resistant.
- Valve TypeTwo-Way, On / Off
- Valve StyleThree-Piece Body - Standard Port
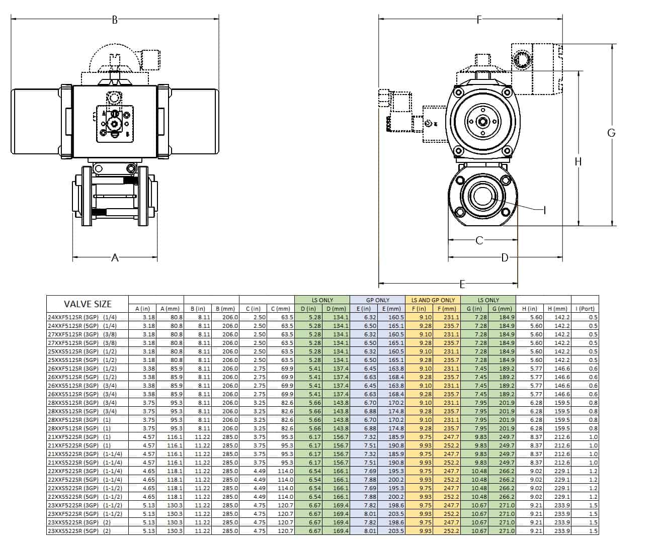
- Valve Connection Size1-1/2" NPT female
- Valve Port Size1.20
- Valve Body Material316 Stainless Steel
- Valve Ball & Stem Material316 Stainless Steel
- Valve Seal MaterialP.T.F.E. (Glass Filled Reinforced Teflon®) / Viton®
- Valve Temperature Range-20°F to 400°F (-28.8°C to 204.4°C)
- Valve Pressure Rating1,000 PSI C.W.P. (Cold Working Pressure), Saturated Steam 150 PSI
- Valve Vacuum Rating20 Micron
- Valve OperatorActuator
- Valve Operator TypeSpring-Return Normally Closed 60-125 PSI
- Actuator EnclosureAluminum with Teflon® Impregnated Hard Anodized Surfaces / Trim 300 Series Stainless
- Actuator Temperature Range-20°F to 350®F (-28.8°C to 176.6°C)
- Actuator Duty Cycle100%
- Actuator Cycle Time1/2 to 1 second / model - load dependent
- Solenoid Voltage – Electrical Connection24VAC - DIN X Conduit; 1/2"
- Integral Pilot / Solenoid ValveNAMUR Three-Way
- Actuator Supply ConnectionNAMUR / (2) 1/8" NPT female
- Limit SwitchNone

















