General Industrial Series two piece standard port brass bar stock body with 316 stainless steel ball and stem ball valve. Seats and Stem Seal are glass reinforced P.T.F.E. (Teflon®). Pipe connections are NPT (National Pipe Taper) female screwed end. Temperature Range -50°F to 450°F (-45.5°C to (232.2°C). Valve Body Pressure Rating 720 psi C.W.P. (Cold Working Pressure), Maximum Pressure Differential 400 psi – also see Differential Pressure Temperature Chart), Saturated Steam 150 PSI and a vacuum rating of 20 Microns. Self-compensating stem seal design. WARNING: Attention California Product Users: Brass raw materials used to produce this valve contains a small percentage of lead. Cancer or Reproductive Harm. See California Proposition 65 for details at www.P65Warnings.ca.gov Also see Product Specifications which can be found at www.geminivalve.com Products are marketed per Gemini Valve Standard Terms & Conditions. All Gemini Valve Products MADE IN USA.
Valve is operated by Spring-Return (Air to Open / Spring to Close) Pneumatic Actuator which operates on 60-125 psi air supply with an cycle (index) time of 1/2 to 1 second depending on model and load. Temperature Rating -20°F to 350°F (-28.8°C to 176.6°C). Air connection is NAMUR / (2) 1/8” NPT female ports to enable direct NAMUR or remote solenoid valve piloting. Actuator body aluminum with Teflon® impregnated hard anodized surfaces. Hardware 300 Series Stainless Steel. Permanently lubricated – maintenance free. Visual Open / Close indicator.
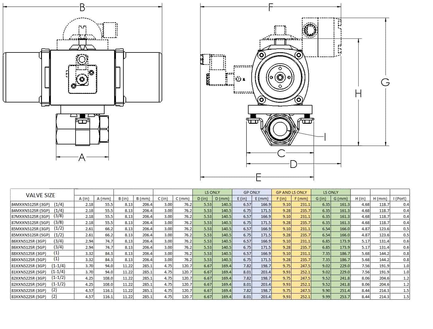
- Valve TypeTwo-Way, On / Off
- Valve StyleTwo-Piece Body - Standard Port
- Valve Connection Size1-1/4" NPT female
- Valve Port Size1.00
- Valve Body MaterialBrass
- Valve Ball & Stem Material316 Stainless Steel
- Valve Seal MaterialP.T.F.E. (Glass Filled Reinforced Teflon®)
- Valve Temperature Range-50°F to 450°F (-45.5°C to 232.2°C)
- Valve Pressure Rating720 PSI C.W.P. (Cold Working Pressure), Saturated Steam 150 PSI
- Valve Vacuum Rating20 Micron
- Valve OperatorActuator
- Valve Operator TypeSpring-Return Normally Closed 60-125 PSI
- Actuator EnclosureAluminum with Teflon® Impregnated Hard Anodized Surfaces / Trim 300 Series Stainless
- Actuator Temperature Range-20°F to 350®F (-28.8°C to 176.6°C)
- Actuator Duty Cycle100%
- Actuator Cycle Time1/2 to 1 second / model - load dependent
- Actuator Supply ConnectionNAMUR / (2) 1/8" NPT female
- Limit SwitchNone









